3528绿光

型号: CMH01-35G19Z

电话:+86-0755-82536775

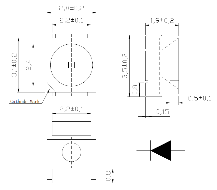
规格尺寸
产品应用

Copyright ©2018  今年会jinnianhui光电有限公司公司     版权所有

粤ICP备14073549号

点击这里给我发消息

关注微信

客服热线:

+86 0755-82536775

在线客服